switch-frog-it
Table of Contents
Polarizzazione Cuore (Frog)
Dalla versione 4873+
Se il motore del deviatoio non fornisce una polarizzazione del cuore, questo può essere gestito tramite l'oggetto deviatoio se il comando deviatoio viene riconosciuto.
Impostazioni
Bus
Il bus da usare per i comandi del cuore. L'interfaccia bus del deviatoio è usata se il valore è nullo.
Cuore 1
Per i deviatoio a singolo o doppio scorrimento.
Cuore 2
Per i deviatoio a doppio scorrimento.
Indirizzamento
L'indirizzamento dipende dalla Centrale Digitale o dal Bus del sistema usati.
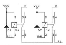
Schema
| Codice | Setup | Collegamenot |
|---|---|---|
| R | DCC Red | |
| B | DCC Black | |
| F1 | Frog | |
| K1 | Relays red | |
| K2 | Relays black | |
| R1L | Relay 1 | Uscita per la polarizzazione rossa |
| R4L | Relay 2 | Uscita per la polarizzazione nera |
Sequenza
- Commutare entrambi i relay su off per isolare il cuore.
- Comandare il servo per andare in posizione.
- Attendere fino a quando la nuova posizione è riconusciuta; vedere Cablaggi.
- Commutare i relay per polarizzare il cuore.
switch-frog-it.txt · Last modified: 2018/11/12 08:56 by 127.0.0.1



